Logowanie
Twój koszyk:

Liczba produktów: 0
Wartość produktów: 0


Logo Meatrol
Produkty firmy Meatrol
Zestawienie | Cewki Rogowskiego | Integratory | PQA |

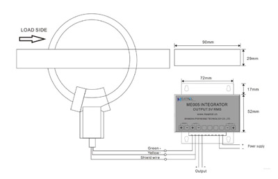
Integratory (układy całkujące) do cewek Rogowskiego:
Zestawienie | DA01 | DA05-1 | DTP | S1 | S9 | HF |

Integrator S1

(precyzyjny integrator do cewek Rogowskiego)


Powiadomienie o plikach cookie. Witryna korzysta z plików cookie.
Pozostając na tej stronie, wyrażasz zgodę na korzystanie z plików cookie.
Dowiedz się więcej