W celu poznania ceny, proszę dokonać wyborów w poniższej tabeli.
Koniec budowy oznaczenia sygnalizowany jest udostępnieniem przycisku "Do
koszyka".
Opis konfiguracji zamówienia
Przykład konfiguracji:
UTP210 AU BA5xAx2xR2, R200A
Port komunikacyjny A2 ASC II, napięcie zasilania 3x230/400V, port szeregowy RS485,
firware w wersji podstawowej, 2 cyrfowe wyjścia NPN,
wejście na cewki Rogowskiego z zakresem 200A, klasa 2
|
|
|
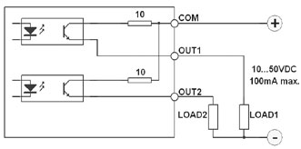
Wyjście cyfrowe typu NPN |
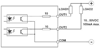
Wyjście cyfrowe typu PNP |